セリアのソーラー・アクセント・ライトを買い足して内部を見たら前に買った同じソーラー・アクセント・ライトと構造が違ってた。端的に言えば回路基板の取付位置が異なり電池の真下になった。この事でLEDのハンダが電池を上に押し上げているものがあり、これは不味い構造だ。実際改造しているとハンダから突き出たLEDのリード線の先が電池の被覆を破りショートすることがあった。
回路的にはダイソーのソーラー・ガーデン・ライトと同じでICがYX8018B或いはZX808となっている。使っている部品の定数が異なる。L1が120μHと小さくなって消費電流が実測11mAと増えている。この理由はよく分からないが、よりLEDを明るくするためなのか或いはLEDの効率が悪いのを補うためだろう。これを補償する為なのか電池の容量が600mAhと増えているが太陽電池は前のままなのでバランスの度合いは不明である。
L1を 220μHに替えると消費電流は5mAになった。明るさは見た目にはあまり変わらない。これをいつも通り改造した。
使ったLEDは自己明滅するキャンドル色のOSY5MK5A31Aというものである。主要部分を一纏めに組み立て、組み込んだ(この段階でLEDは未実装)。絶縁性を向上させるため、(写真には写って無いが)電池と基板や部品の間にはカプトンテープを挟んだ。光り具合は次の写真のようだ。
【LEDの不具合と回避】 今回使ったOSY5MK5A31Aは電圧をかけても光らなくなることがあり一見LEDが故障(断線)した様に見える。こんな症状を何回か経験し、その都度LEDを新品と交換した。不思議な事に取り外したLEDをテストしてみると正常に戻っている。このLEDを単体でテストしたところ、いったん0V以上0.1V以下の低い電圧をかけていると、その後電圧を上げても光らない欠陥がある。どうも内部で一時的にハングアップ的な現象を起こしているようだ。
ソーラーライトの経験で言うと、太陽電池に弱い光を当てた状態でスイッチをONにするとその後暗くなっても光らない。こういう場合は一旦スイッチをOFFにして暫く太陽電池を覆った状態で放置した後スイッチをONにすると復活する。奇妙な現象だ。電源がOFFでも太陽電池の起電力がIC1を通じてLEDに加わっているのが要因の1つだろう。これを解決するために電源OFFの時はLEDの電荷を強制解放するように次の回路に変更した〔第一の回避策〕。
この変更で不具合は少し改善された。つまり電源ONで点灯しなかった場合、太陽電池を覆った状態でスイッチをOFF-ONすると復活する。さらに次の改造を試みた。
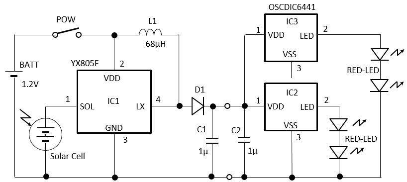
この回路では電源をOFFにしてもD3を通じてLEDに1.2Vの電圧を加印している。この電圧ではLEDは光らないが能動状態を維持することができる〔第2の回避策〕。
D3はどこにでも転がっているような普通のダイオードである。R1は万が一LED周辺の回路がショートした場合に電流を制限するための抵抗で通常は電流は流れないので値は適当に選べばよい。この回路ではバッテリーの過放電で万が一スタートを失敗するとLEDは永久に光らないので、その時は一度電池を抜いて暫く放っておいて再度電池を入れてスタートさせることになる。
結果的に言うと第2の回避策は使い勝手が悪い(もしもの場合に分解して一旦電池を取り出す必要がある)。改造はやや面倒だが第1の回避策の方がよい。
上と同様に、LEDを2個直列にして明滅させる物も作った(この回路にも【LEDの不具合と回避】で述べた第1の回避策を適用したほうがよい)。
実装は次の様に組み込んだ。赤と青のLEDを使うと次のような光り具合でイイ感じだ。消費電流は変わらない。
百均のソーラーライトの電池は100mAhの物が多かったが今回のライトは600mAhのものが使われている。これだと本来はフル充電で120時間持つはずであるが実際に使ってみると朝まで持たない事がある。太陽電池の発電能力も気になるところである。電池の重さは100mAhのものが5gに対し600mAhは6gで大きな差はないので600mAhの容量はどうなんだろう。ちなみに秋月で買った900mAhの物は11.5gあって中身が詰まってる感じ。
【注意】セリアの本ライト添付の説明書に「電池交換や改造はおやめください」とあるので改造する場合はあくまで自己責任でお願いします。
【その後】1年近く改造を繰り返してきたが内蔵バッテリーはいつの間にか600mAのものが使われるようになっている。計算上はこのバッテリーで十分な容量があるはずであるが実際には陽射しの強い九州の夏でも朝まで持たなかった(L1はオリジナルの120μHのままでテスト)。同じバッテリーを搭載した吊るソーラーライト(これもL1はオリジナルのまま)は朝まで光っているのでソーラーアクセントライトはソーラーセルの面積が狭い分バッテリーを十分充電できるだけの発電能力はないと思われる。ただ、バッテリーを秋月で売っている900mAのものに変えると(個体差はあるが)朝まで持つたので相性(たぶんバッテリーの内部抵抗が高く充電効率が悪いか或いはソーターセルの能力にバラツキがある)の問題があるのだろう。別の対策としてL1を220μHに交換して消費電力を抑える工夫が有効かもしれない。昼が短く夜の長い冬季に朝まで光らせるためには電池とL1の両方の対策が必要だろう。








































